
INCH-POUND
MIL-PRF-39022/1G
24 October 2011
SUPERSEDING
MIL-PRF-39022/1F
30 June 2006
PERFORMANCE SPECIFICATION SHEET
CAPACITORS, FIXED, METALLIZED, PAPER-PLASTIC FILM, OR PLASTIC
FILM DIELECTRIC, DIRECT CURRENT, (HERMETICALLY SEALED IN
METAL CASES), ESTABLISHED RELIABILITY,
STYLE CHR09 (INSULATED)
This specification sheet is approved for use by all Departments
and Agencies of the Department of Defense.
The requirements for acquiring the product described herein
shall consist of this specification sheet and MIL-PRF-39022.
NOTES:
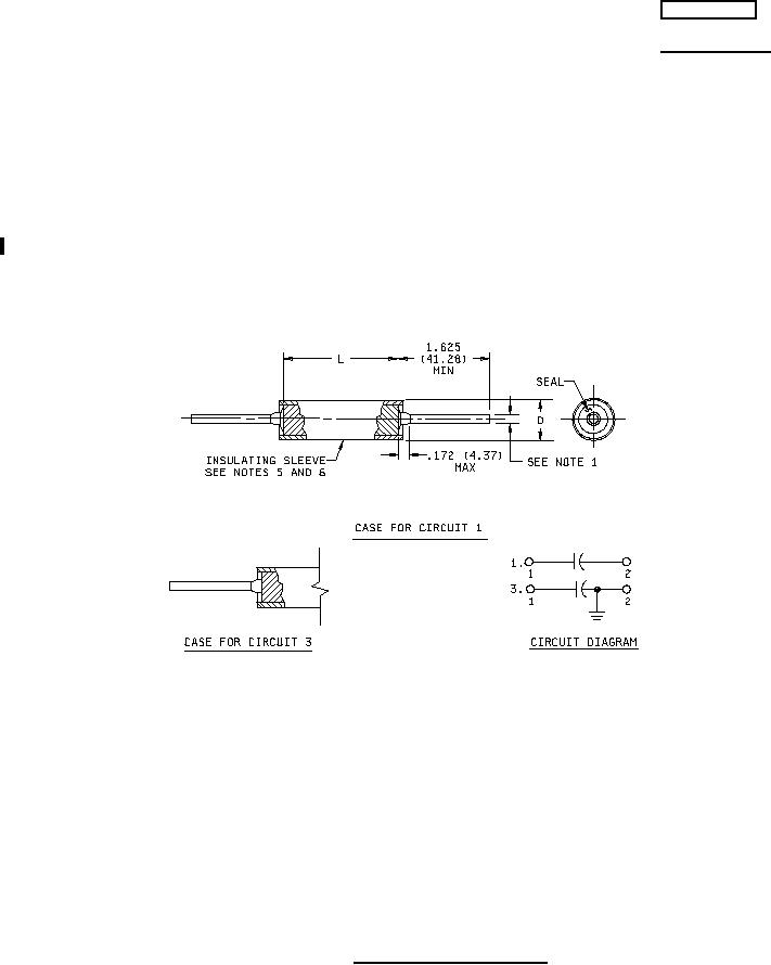
1. Number 24 AWG wire .020 ± .002 inch (0.51 ± 0.05 mm) for case diameters of .175 inch (4.45 mm) and .195
inch (4.95 mm).
Number 22 AWG wire .025 ± .002 inch (0.64 ± 0.05 mm) for case diameters of .235 inch (5.97 mm) and .312
inch (7.92 mm).
Number 20 AWG wire .032 ± .002 inch (0.81 ± 0.05 mm) for case diameters of .400 inch (10.16 mm) and over.
2. See table I for additional dimensions.
3. Dimensions are in inches.
4. Metric equivalents are given for general information only.
5. Insulating sleeve shall extend beyond the capacitor body but shall not exceed .031 inch (0.79 mm) on either
end. Insulating sleeve thickness shall not exceed .016 inch (0.41 mm).
6. Plastic insulating sleeve shall be transparent; marking shall be applied to the capacitor case.
7. Metric equivalents are in parentheses.
8. Lead length may be a minimum of one inch (25.4 mm) long for use in tape and reel packaging when specified
in the ordering data.
FIGURE 1. Dimensions and configuration.
AMSC N/A
FSC 5910
For Parts Inquires submit RFQ to Parts Hangar, Inc.
© Copyright 2015 Integrated Publishing, Inc.
A Service Disabled Veteran Owned Small Business