
INCH-POUND
MIL-PRF-39022/8E
25 January 2008
SUPERSEDING
MIL-PRF-39022/8D
25 May 2001
PERFORMANCE SPECIFICATION SHEET
CAPACITORS, FIXED, METALLIZED PAPER-PLASTIC FILM DIELECTRIC,
DIRECT CURRENT, (HERMETICALLY SEALED IN METAL CASES),
ESTABLISHED RELIABILITY, STYLE CHR12 (UNINSULATED)
This specification sheet is approved for use by all Departments
and Agencies of the Department of Defense.
The requirements for acquiring the product described herein
shall consist of this specification sheet and MIL-PRF-39022.
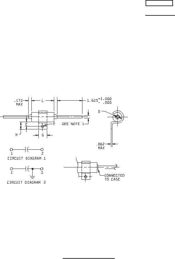
Inches
mm
1.625
41.28
1.000
25.40
.172
4.37
.062
1.57
NOTES:
1. Number 22 AWG wire .025 ± .002 inch (0.64 ± 0.05 mm) for case diameters of .235 inch (5.97 mm) and .312
inch (7.92 mm).
Number 20 AWG wire .032 ± .002 inch (0.81 ± 0.05 mm) for case diameters of .400 inch (10.16 mm) and over.
2. See table I for additional dimensions.
3. Dimensions are in inches.
4. Metric equivalents are given for general information only.
5. Metric equivalents are in parentheses.
6. The centerline of the mounting clamp shall be within .050 inch (1.27 mm) of the centerline of the length
(L dimension) of the capacitor.
FIGURE 1. Dimensions and configuration.
AMSC N/A
FSC 5910
For Parts Inquires submit RFQ to Parts Hangar, Inc.
© Copyright 2015 Integrated Publishing, Inc.
A Service Disabled Veteran Owned Small Business