
INCH-POUND
MIL-PRF-49137/2D
19 February 2009
SUPERSEDING
MIL-PRF-49137/2C
22 April 2004
PERFORMANCE SPECIFICATION SHEET
CAPACITORS, FIXED, ELECTROLYTIC (SOLID ELECTROLYTE),
TANTALUM, POLAR, CONFORMAL COATED, NONHERMETICALLY SEALED,
STYLES CX02 AND CX12
This specification is approved for use by all Departments and Agencies of the Department of Defense.
The requirements for acquiring the product described herein shall consist
of this specification and MIL-PRF-49137.
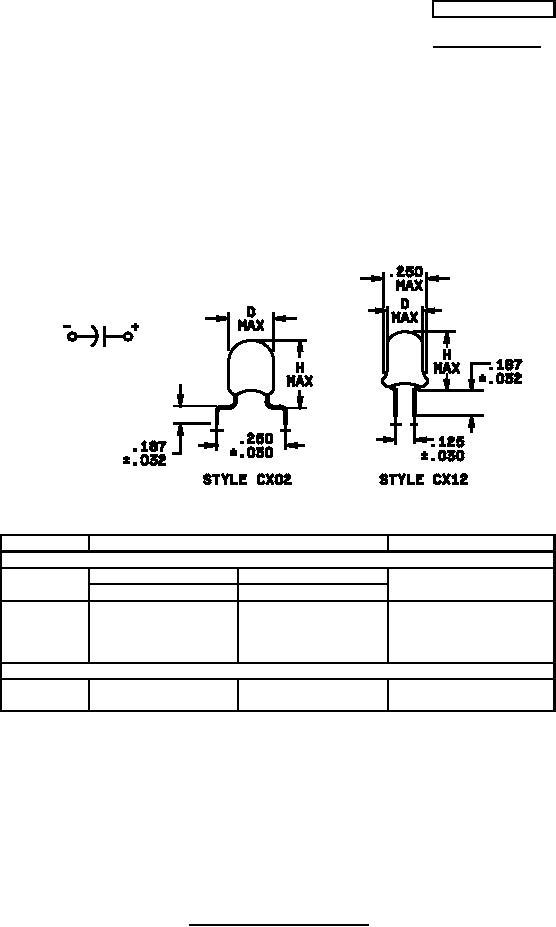
CIRCUIT DIAGRAM
Case size
Lead size
CX02
Case
Diameter (D)
Height (H)
size
Inches
mm
Inches
mm
Dia
AWG
A
0.175
4.45
0.425
10.80
0.020
24,22
B
0.250
6.35
0.500
12.70
0.020
24,22
C
0.350
8.89
0.650
16.51
0.025
22
D
0.400
10.16
0.750
19.05
0.025
22
CX12
E
0.175
4.45
0.350
8.89
0.020
24,22
F
0.250
6.35
0.500
12.70
0.020
24,22
NOTES:
1. Dimensions are in inches.
2. Metric equivalents are given for general information only.
3. Metric equivalents are in parentheses.
4. Lead spacing shall be measured within 0.050" (1.27 mm) from the point of emergence from the body or the
bottom of the crimp.
5. Case size dimensions are maximum.
FIGURE 1. Dimensions and configuration.
AMSC N/A
FSC 5910
For Parts Inquires submit RFQ to Parts Hangar, Inc.
© Copyright 2015 Integrated Publishing, Inc.
A Service Disabled Veteran Owned Small Business