
INCH-POUND
MIL-PRF-55514/12E
6 September 2013
SUPERSEDING
MIL-PRF-55514/12D
18 October 2005
PERFORMANCE SPECIFICATION SHEET
CAPACITORS, FIXED, METALLIZED PLASTIC DIELECTRIC, DC,
IN NONMETAL CASES, ESTABLISHED RELIABILITY,
STYLE CFR29
The specification sheet is approved for use by all Departments
and Agencies of the Department of Defense.
The requirements for acquiring the product described herein
shall consist of this specification sheet and MIL-PRF-55514.
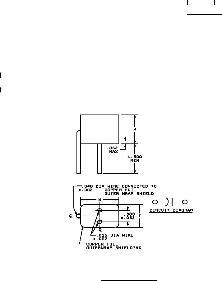
Inches
mm
.002
0.05
.015
0.38
.032
0.81
.040
1.02
.062
1.57
.300
7.62
1.500
38.10
NOTES:
1. Dimensions are in inches.
2. Metric equivalents are given for general information.
FIGURE 1. Configuration and dimensions.
AMSC N/A
FSC 5910
For Parts Inquires submit RFQ to Parts Hangar, Inc.
© Copyright 2015 Integrated Publishing, Inc.
A Service Disabled Veteran Owned Small Business