
INCH POUND
MIL-PRF-81/1E
19 April 2011
SUPERSEDING
MIL-PRF-81/1D
9 November 2005
PERFORMANCE SPECIFICATION SHEET
CAPACITORS, VARIABLE, CERAMIC DIELECTRIC,
STYLE CV11
This specification is approved for use by all Departments
and Agencies of the Department of Defense.
The requirements for acquiring the product described herein shall
consist of this specification and MIL-PRF-81.
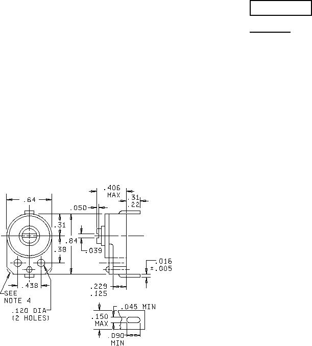
Inches
mm
.005
0.13
.016
0.41
.039
0.99
.045
1.14
.050
1.27
.090
2.29
.120
3.05
.125
3.18
.150
3.81
.22
5.59
.229
5.82
.31
7.87
.38
9.65
.406
10.31
.438
11.13
.64
16.26
.84
21.34
NOTES:
1. Dimensions are in inches.
2. Metric equivalents are given for general information only.
3. Unless otherwise specified, tolerances are ±.03 (0.76 mm) for two decimal places and ±.010 (0.25 mm) for
three decimal places.
4. Limiting dimensions as shown.
FIGURE 1. Dimensions and configurations.
AMSC N/A
FSC 5910
.