
INCH POUND
MIL-PRF-81/4F
5 May 2011
SUPERSEDING
MIL-PRF-81/4E
21 April 2006
PERFORMANCE SPECIFICATION SHEET
CAPACITORS, VARIABLE, CERAMIC DIELECTRIC,
STYLES CV31 AND CV32
This specification is approved for use by all Departments
and Agencies of the Department of Defense.
The requirements for acquiring the product described herein shall
consist of this specification and MIL-PRF-81.
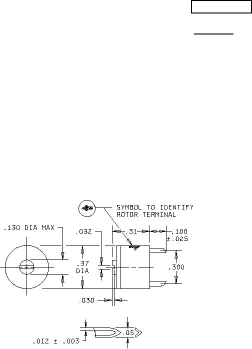
Style CV31
FIGURE 1. Dimensions and configurations.
AMSC N/A
FSC 5910
.