
INCH POUND
MIL-PRF-81/6F
21 April 2011
SUPERSEDING
MIL-PRF-81/6E
21 April 2006
PERFORMANCE SPECIFICATION SHEET
CAPACITORS, VARIABLE, CERAMIC DIELECTRIC,
STYLES CV35 AND CV36
This specification is approved for use by all Departments
and Agencies of the Department of Defense.
The requirements for acquiring the product described herein shall
consist of this specification and MIL-PRF-81.
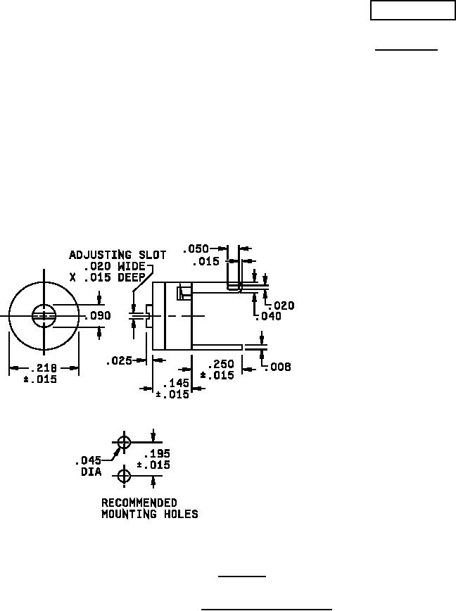
Inches
mm
.008
0.20
.015
0.38
.020
0.51
.025
0.64
.040
1.02
.065
1.65
.090
2.29
.145
3.68
.195
4.95
.218
5.54
.250
6.35
Style CV35
FIGURE 1. Dimensions and configurations.
AMSC N/A
FSC 5910
.