
INCH POUND
MIL-PRF-81/8A
25 May 1999
SUPERSEDING
MIL-C-81/8
10 December 1984
PERFORMANCE SPECIFICATION SHEET
CAPACITORS, VARIABLE, CERAMIC DIELECTRIC,
STYLE CV42
This specification is approved for use by all Departments
and Agencies of the Department of Defense.
The requirements for acquiring the product described herein shall
consist of this specification and MIL-PRF-81.
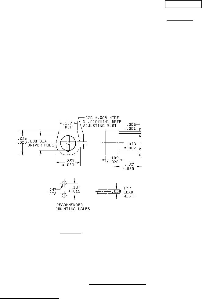
Inches
mm
Inches
mm
.001
0.03
.047
1.20
.002
0.05
.098
2.50
.006
0.15
.137
3.50
.008
0.20
.157
4.00
Style CV42
.010
0.25
.189
4.80
.015
0.40
.197
5.00
.020
0.50
.236
6.00
.039
1.00
NOTES:
1. Dimensions are in inches.
2. Metric equivalents are given for general information only.
3. Unless otherwise specified, tolerance is ±.006 (0.15 mm).
FIGURE 1. Dimensions and configurations.
AMSC N/A
1 of 3
FSC 5910
DISTRIBUTION STATEMENT A. Approved for public release; distribution is unlimited.