
INCH-POUND
MIL-PRF-83421/1D
27 March 2009
SUPERSEDING
MIL-PRF-83421/1C
24 January 2006
PERFORMANCE SPECIFICATION SHEET
CAPACITORS, FIXED, METALLIZED PLASTIC FILM DIELECTRIC, DC AND AC,
HERMETICALLY SEALED IN METAL CASES,
ESTABLISHED RELIABILITY
STYLES CRH01, CRH02, CRH03, CRH04, CRH05, CRH06,
CRH07, CRH08, CRH09, AND CRH00
This specification sheet is approved for use by all Departments
and Agencies of the Department of Defense.
The requirements for acquiring the product described herein
shall consist of this specification sheet and MIL-PRF-83421.
STYLES CRH06 THROUGH CRH00 INACTIVE FOR DESIGN
AFTER 4 JANUARY 1980. USE CRH01 THROUGH CRH05
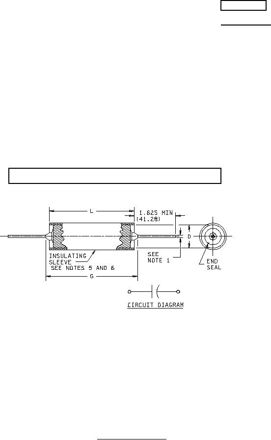
NOTES:
1. Number 22 AWG wire (.025 inch .002 (0.64 mm 0.05)) for case diameters of .312 (7.92 mm) and less.
Number 20 AWG wire (.032 inch .002 (0.81 mm 0.05)) for case diameters of .400 (10.16 mm) and .500
(12.70 mm). Number 18 AWG wire (.040 inch .002 (1.02 mm 0.05)) for case diameters of .562 (14.27
mm) and over.
2. Dimensions are in inches.
3. Metric equivalents in parenthesis are given for general information only.
4. See table I for additional dimensions.
5. Insulating sleeve shall extend beyond the capacitor body. Insulating sleeve thickness shall not exceed .005
(0.13 mm) inch.
6. Plastic insulating sleeve shall be transparent; marking shall be applied to the capacitor case.
7. Lead length may be a minimum of one inch (25.4 mm) long for use in tape and reel packaging, when specified
in the ordering data.
FIGURE 1. Capacitor configuration.
AMSC N/A
FSC 5910
For Parts Inquires submit RFQ to Parts Hangar, Inc.
© Copyright 2015 Integrated Publishing, Inc.
A Service Disabled Veteran Owned Small Business