
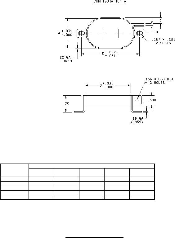
A-A-55424A
Inches
mm
Dimension chart
CID PIN
.125
3.18
A-A-55424
Dimension
Dimension
Dimension
Dimension
Dimension
.188
4.78
A
B
C
D
E
.312
7.92
-01A
1.250
2.062
.125
.125
2.688
.500
12.70
-02A
1.812
2.812
.312
.125
3.438
1.250
26.04
-03A
1.875
3.562
.500
.125
4.188
1.500
37.10
-04A
2.125
2.844
.500
.125
3.469
1.812
46.02
-05A
1.500
2.641
.188
.125
3.188
1.875
47.63
2.062
52.37
2.125
53.98
2.641
67.08
2.688
68.02
2.812
71.42
2.844
72.24
3.188
79.98
3.438
86.33
FIGURE 1. Dimensions and configurations.
3.469
87.11
3.562
89.47
4.188
106.38
2
For Parts Inquires submit RFQ to Parts Hangar, Inc.
© Copyright 2015 Integrated Publishing, Inc.
A Service Disabled Veteran Owned Small Business