
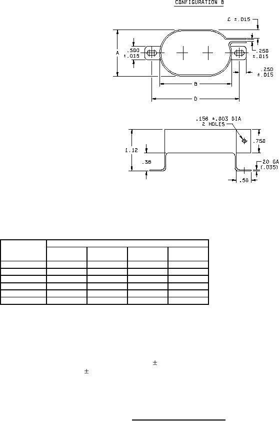
A-A-55424A
CID PIN
Dimension chart
Inches
mm
A-A-55424
Dimension
Dimension
Dimension
Dimension
.125
3.18
A
B
C
D
.188
4.78
-06B
1.234
2.062
.125
2.688
.312
7.92
-07B
1.797
2.797
.312
3.438
.500
12.70
-08B
1.859
3.547
.500
4.188
1.234
31.34
-09B
1.484
2.609
.188
3.266
1.250
31.85
-10B
1.254
2.072
.125
2.688
1.484
37.69
-11B
1.750
2.766
.312
3.438
1.750
44.45
1.797
45.64
1.859
47.22
2.062
52.37
2.072
52.63
2.609
66.27
NOTES:
2.688
68.28
1. Dimensions are in inches.
2.766
70.26
2. Metric equivalents are given for general information only.
2.797
71.04
3. Unless otherwise specified, tolerances are .003 (0.08 mm) for three
3.266
81.96
3.438
89.33
place decimals and .02 (0.5 mm) for two place decimals.
3.547
89.09
4.188
106.38
FIGURE 1. Dimensions and configurations - Continued.
3
For Parts Inquires submit RFQ to Parts Hangar, Inc.
© Copyright 2015 Integrated Publishing, Inc.
A Service Disabled Veteran Owned Small Business