
MIL-PRF-14409/14K
Inches
mm
Inches
mm
.002
0.05
.093
2.36
.005
0.13
.120
3.05
.010
0.25
.125
3.18
.015
0.38
.145
3.68
.020
0.51
.219
5.56
.030
0.76
.245
6.22
.062
1.57
.260
6.63
.070
1.78
.281
7.14
.073
1.85
.681
17.30
.078
1.98
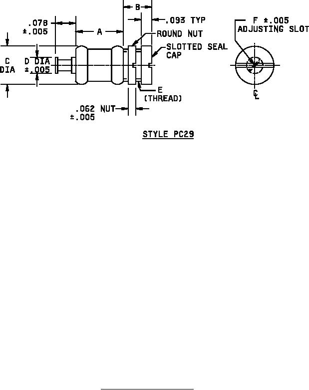
NOTES:
1. Dimensions are in inches.
2. Metric equivalents are given for general information only.
3. Unless otherwise specified, tolerance is ± .016 inch (0.41 mm).
FIGURE 1. Dimensions and configurations - Continued.
2
For Parts Inquires submit RFQ to Parts Hangar, Inc.
© Copyright 2015 Integrated Publishing, Inc.
A Service Disabled Veteran Owned Small Business