
MIL-PRF-23269/10D
Inches
mm
Inches
mm
.002
0.05
.115
2.92
.005
0.13
.200
5.08
.010
0.25
.300
7.62
.020
0.50
1.25
31.75
.050
1.27
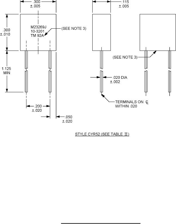
NOTES:
1. Dimensions are in inches.
2. Metric equivalents are given for general information only.
3. See marking requirement.
FIGURE 2. Dimensions and configuration for style CYR52.
7
For Parts Inquires submit RFQ to Parts Hangar, Inc.
© Copyright 2015 Integrated Publishing, Inc.
A Service Disabled Veteran Owned Small Business