
MIL-PRF-23269/10D
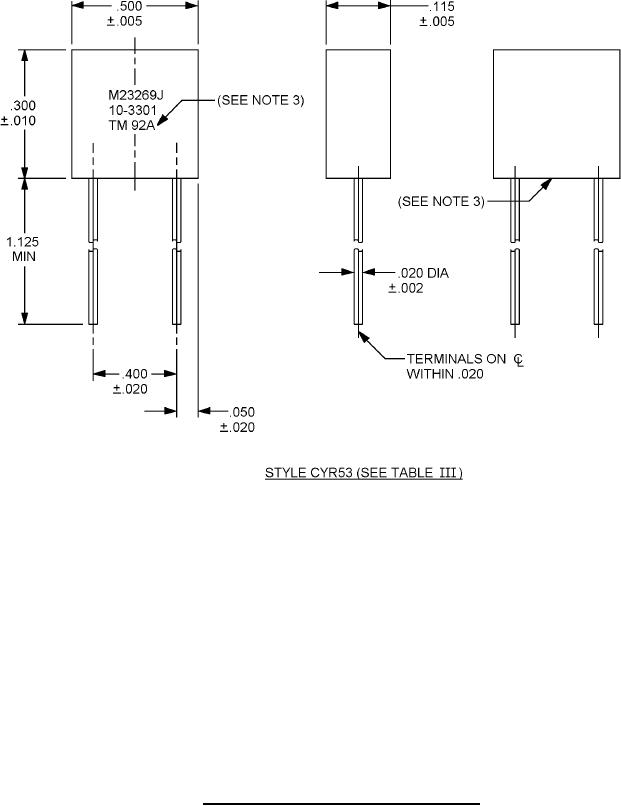
Inches
mm
Inches
mm
.002
0.05
.115
2.92
.005
0.13
.300
7.62
.010
0.25
.400
10.16
.020
0.50
.500
12.75
.050
1.27
1.25
31.75
NOTES:
1. Dimensions are in inches.
2. Metric equivalents are given for general information only.
3. See marking requirement.
FIGURE 3. Dimensions and configuration for style CYR53.
9
For Parts Inquires submit RFQ to Parts Hangar, Inc.
© Copyright 2015 Integrated Publishing, Inc.
A Service Disabled Veteran Owned Small Business