
INCH-POUND
MIL-PRF-39018/4E
20 February 2009
SUPERSEDING
MIL-PRF-39018/4D
12 April 2007
PERFORMANCE SPECIFICATION SHEET
CAPACITORS, FIXED, ELECTROLYTIC (ALUMINUM OXIDE)
(POLARIZED), NON-ESTABLISHED RELIABILITY AND ESTABLISHED RELIABILITY
STYLES CU71 (INSULATED) AND CUR71 (INSULATED)
This specification is approved for use by all Depart-
ments and Agencies of the Department of Defense.
The requirements for acquiring the product described herein
shall consist of this specification sheet and MIL-PRF-39018.
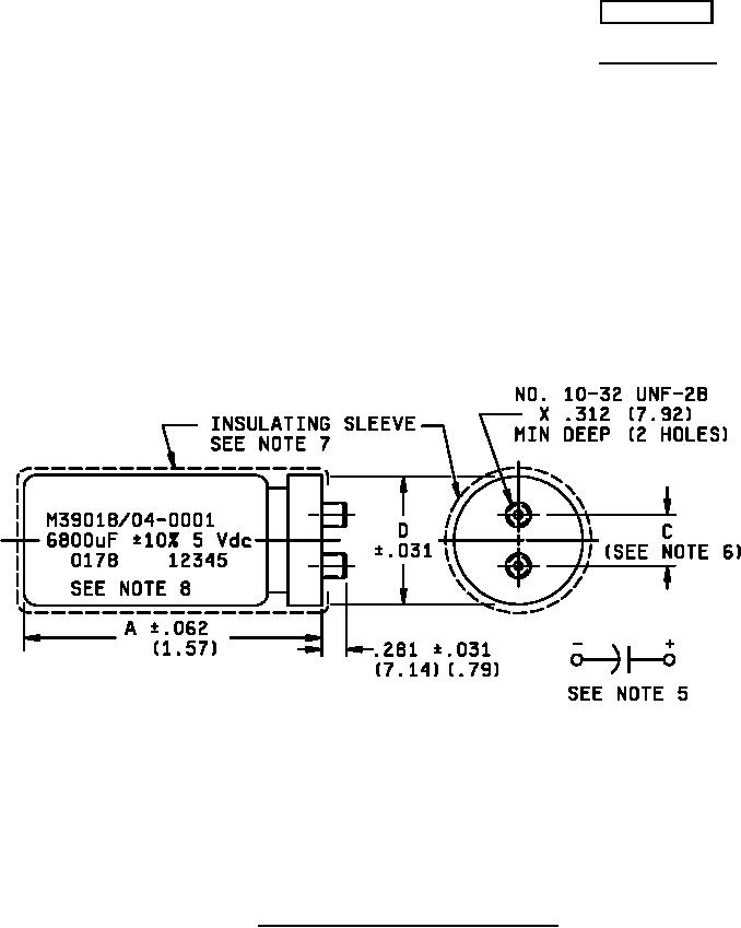
NOTES:
1. Dimensions are in inches.
2. Metric equivalents are given for general information only and are based upon 1.00 inch = 25.4 mm.
3. Metric equivalents are in parentheses.
4. Capacitors are mounted by means of a wraparound, footed-type bracket.
5. There is an indeterminate resistance between the metal case and the negative terminal.
6. "C" dimension is .500 (12.70 mm) ±.016 (0.41 mm) for case diameter of 1.375 (34.92 mm); .875 (22.22 mm)
±.016 (0.41 mm) for case diameter of 2.00 (50.8 mm); 1.125 (28.58 mm) ±.016 (0.41 mm) for case diameter
of 2.50 (63.5 mm); and 1.250 (31.75 mm) ±.016 (0.41 mm) for case diameter of 3.0 (76.2 mm).
7. Insulating sleeve thickness shall not exceed .016 (0.41 mm) and shall overlap the ends of the capacitor body.
8. Example of marking and its relative location on the capacitor body.
FIGURE 1. Styles CU71 and CUR71 insulated capacitors.
AMSC N/A
FSC 5910
For Parts Inquires submit RFQ to Parts Hangar, Inc.
© Copyright 2015 Integrated Publishing, Inc.
A Service Disabled Veteran Owned Small Business