
INCH-POUND
MIL-PRF-55514/4F
22 March 2002
SUPERSEDING
MIL-PRF-55514/4E
22 March 1999
PERFORMANCE SPECIFICATION SHEET
CAPACITORS, FIXED, METALLIZED PLASTIC DIELECTRIC,
DC, IN NONMETAL CASES,
ESTABLISHED RELIABILITY AND NON-ESTABLISHED RELIABILITY,
STYLES CFR05 AND CFR06
This specification is approved for use by all Departments
and Agencies of the Department of Defense.
The requirements for acquiring the product described herein
shall consist of this specification and MIL-PRF-55514.
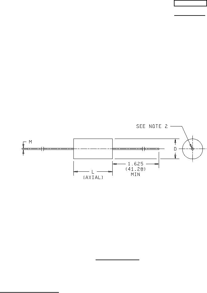
NOTES:
1. Dimensions are in inches.
2. Leads shall be of solid wire and located on centerline within ±.062 (1.57) but not less than .03 (0.76) from
edge of capacitor.
3. Millimeters are in parentheses.
4. Metric equivalents are given for general information only.
FIGURE 1. Style CFR05 capacitors.
AMSC N/A
1 of 11
FSC 5910
DISTRIBUTION STATEMENT A. Approved for public release; distribution is unlimited.