
MIL-PRF-55514/4F
NOTES:
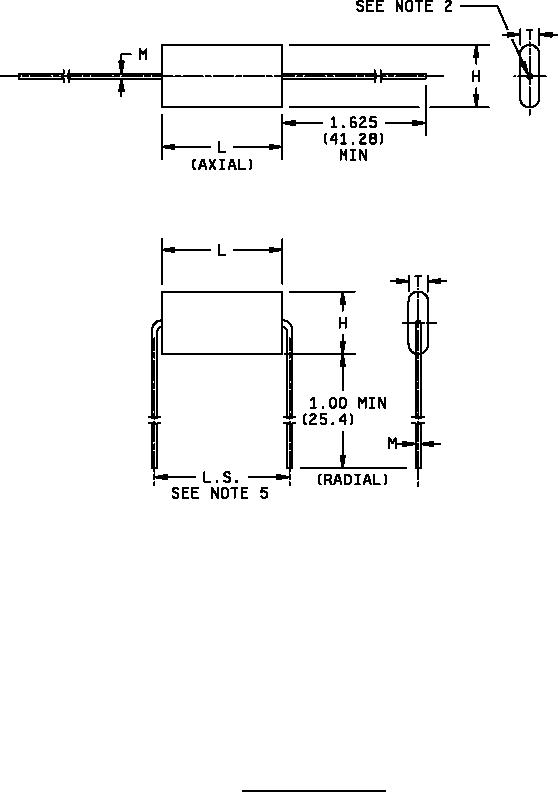
1. Dimensions are in inches.
2. Leads shall be of solid wire and located on centerline within ±.062 inch (1.57 mm) but not less than .03 inch
(0.76 mm) from edge of capacitor.
3. Millimeters are in parentheses.
4. Metric equivalents are given for general information only.
5. L. S. shall be (L + 2M) ±.030 inch (0.76 mm).
FIGURE 2. Style CFR06 capacitors.
2