
INCH-POUND
MIL-PRF-55514/8G
30 May 2002
SUPERSEDING
MIL-PRF-55514/8F
9 October 1997
PERFORMANCE SPECIFICATION SHEET
CAPACITORS, FIXED, METALLIZED PLASTIC DIELECTRIC,
DC, IN NONMETAL CASES, ESTABLISHED RELIABILITY,
STYLE CFR12 AND CFR16
This specification is approved for use by all Departments
and Agencies of the Department of Defense.
The requirements for acquiring the product described herein
shall consist of this specification and MIL-PRF-55514.
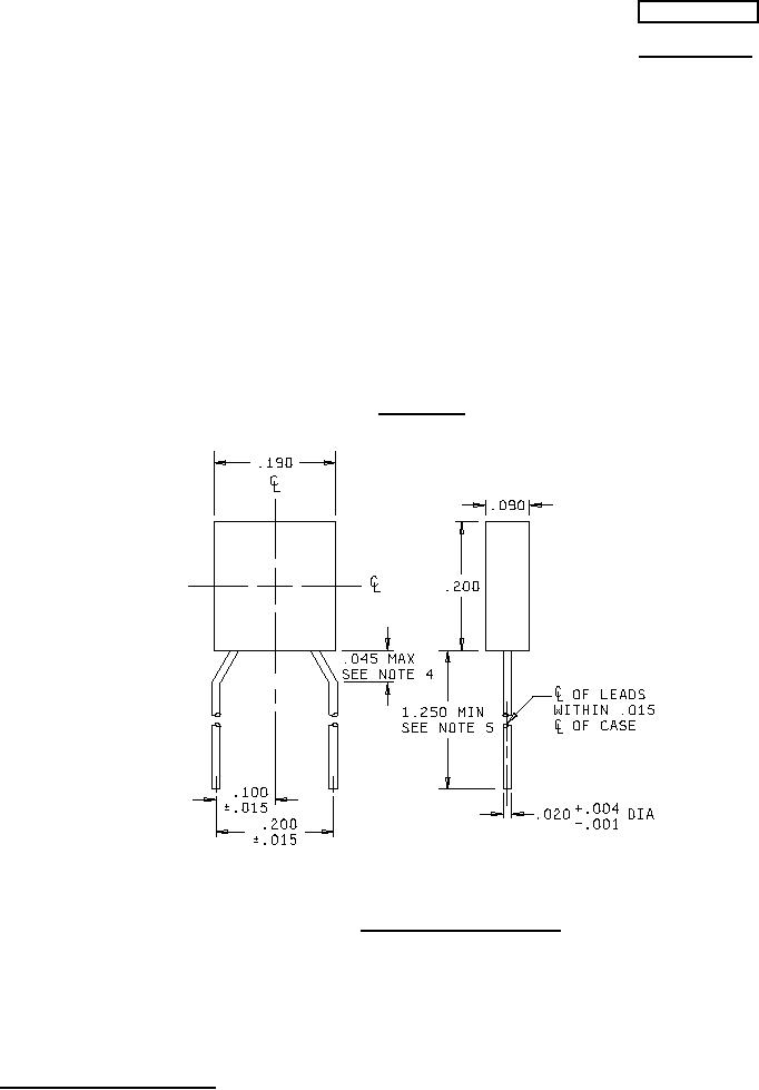
Style CFR12
FIGURE 1. Dimensions and configuration.
AMSC N/A
1 of 6
FSC 5910
DISTRIBUTION STATEMENT A. Approved for public release; distribution is unlimited.